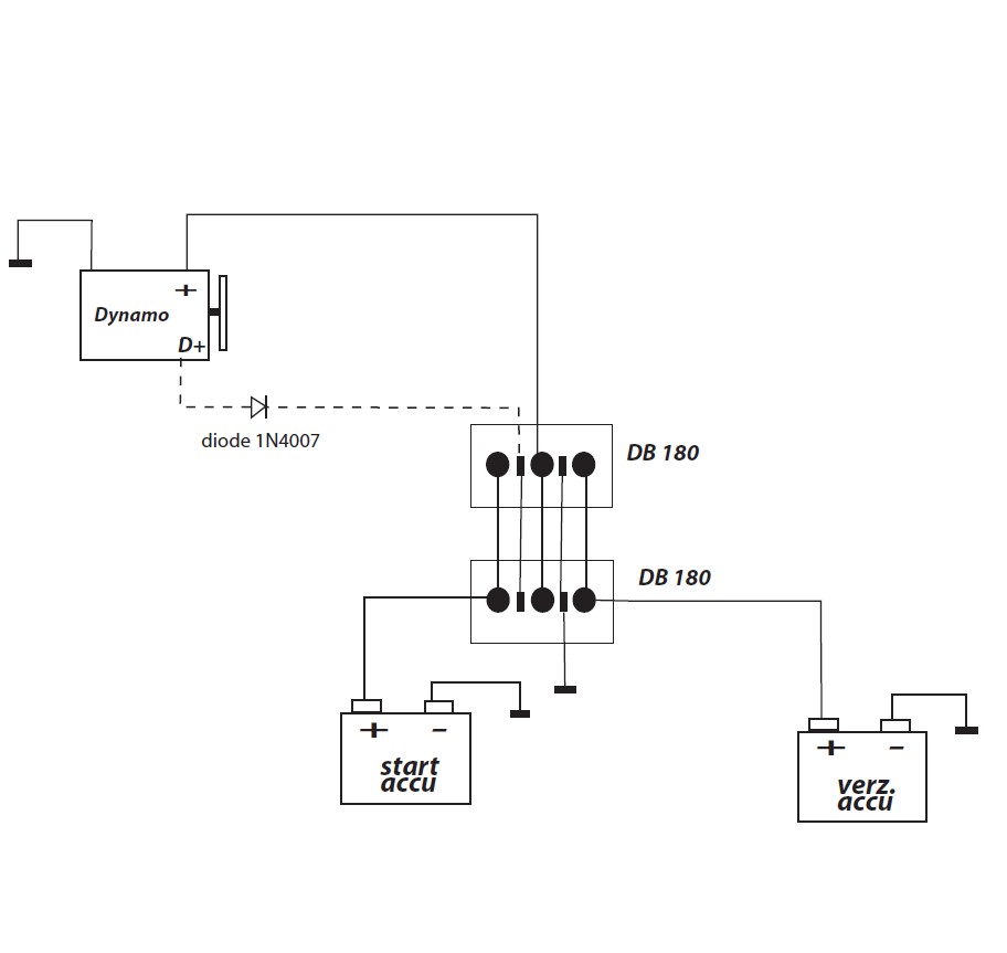
Takket være det specielle kredsløbsdesign er batteriisolatorerne lave tab. For eksempel med et 100 Ah batteri (13,8 Volt) er spændingsfaldet 0,005 Volt sammenlignet med et fald på 0,8 Volt i normale batteriisolatorer.
Disse batteriisolatorer er velegnet til både 12 Volt og 24 Volt systemer. Batterierne, der er tilsluttet, kan have forskellige kapaciteter. Den maksimale strøm er 90 Amp. Hvis batteriisolatoren bruges mere kraftigt, bliver den uoprettelig beskadiget. Hvis der er behov for en højere strøm, kan to (eller flere) af de samme batteriisolatorer tilsluttes parallelt.
Den maksimale indgangsspænding er 32 volt. Hvis denne spænding overskrides, vil batteriisolatoren også blive uoprettelig beskadiget.












Anmeldelser
There are no reviews yet